欢迎来到上海阀门二厂有限公司,我们竭诚为您服务!

021-62512750
180-17622632

> 产品展示 > 真空阀门 > 真空电磁阀 >

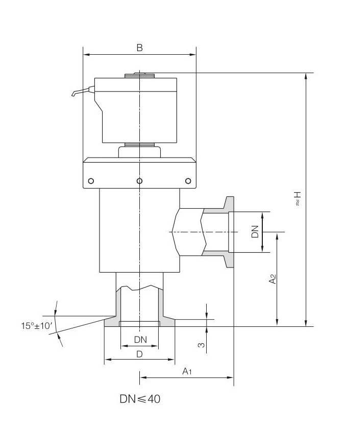
DYC-JQ型电磁真空带充气压差阀

  • 产品详情

DYC-JQ型电磁真空带充气压差阀是真空系统上必备的真空元件,它是装在机械真空泵进气口上的专用阀门,并与泵接在同一电源上,泵的开启与停止直接控制阀门的开启与关闭。
当泵停止工作或电源突然中断时,阀门利用大气压力使阀板自动落下将真空系统封闭,并将大气通过阀门的充气口经阀充入到泵腔,从而避免泵油逆流而污染真空系统。
阀门适用的工作介质为空气及非腐蚀性气体。







Copyright © 2002-2020 上海阀门二厂有限公司 版权所有 沪ICP备18041193号-1 技术支持:上海网站建设