欢迎来到上海阀门二厂有限公司,我们竭诚为您服务!

021-62512750
180-17622632

> 产品展示 > 真空阀门 > 真空电磁阀 >

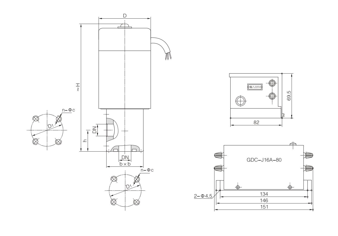
GDC-J型电磁高真空挡板阀

  • 产品详情


GDC-J型电磁高真空挡板阀是以电磁力为动力,使阀门开启或关闭。适用于真空系统中,用来切断或接通气流之用。
阀门关闭时,允许阀板密封面上侧承受大气压,下侧为真空,能起到密封作用,在此状态下,接通电器盒电源,阀门应能正常开启。
阀门适用的工作介质为空气及非腐蚀性气体。







Copyright © 2002-2020 上海阀门二厂有限公司 版权所有 沪ICP备18041193号-1 技术支持:上海网站建设