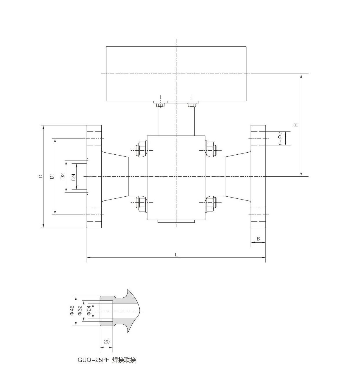
GUQ-PF型真空压力球阀主要用于同时要求真空和压力的系统中,阀门 开启压差为真空或常温,阀门采用P≤0.5MPa的水冷却或保温。
主要技术性能
1.阀门使用压力∶ 1× 10-³~6.4MPa。
2.阀门使用温度∶120~250℃。
3.阀门真空漏率∶≤1×10-³MPa· I/S 。
4.阀门 开启压差为真空和常压,大于常压时不可开启阀门。
5.夹套须进过水压试验,试验压力为0.5MPa。
6.气缸须带开、关位置检测信号。
7.阀门使用介质∶气体。
8.电源:AC220V或DC24V
9.气源压力:0.4-0.6MPa

