欢迎来到上海阀门二厂有限公司,我们竭诚为您服务!

021-62512750
180-17622632

> 产品展示 > 真空阀门 > 其它阀门 >

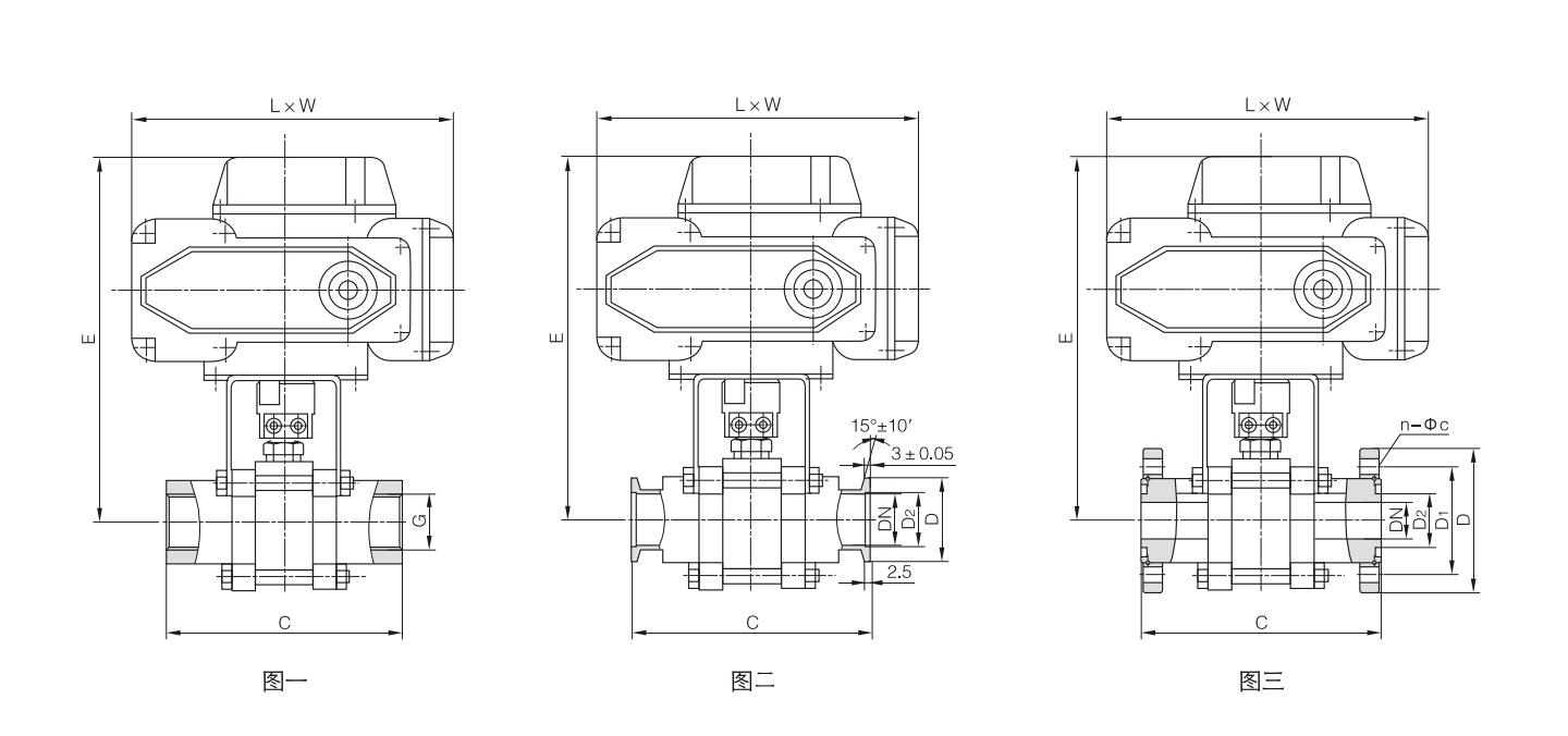
GUD型电动高真空球阀

  • 产品详情



GUD型电动高真空球阀是以电动装置为动力,驱动球阀来达到接通或切断真空系统管路中的介质流。
阀门适用的工作介质为带酸、碱性的气体或液体。









Copyright © 2002-2020 上海阀门二厂有限公司 版权所有 沪ICP备18041193号-1 技术支持:上海网站建设