欢迎来到上海阀门二厂有限公司,我们竭诚为您服务!

021-62512750
180-17622632

> 产品展示 > 真空阀门 > 真空蝶阀 >

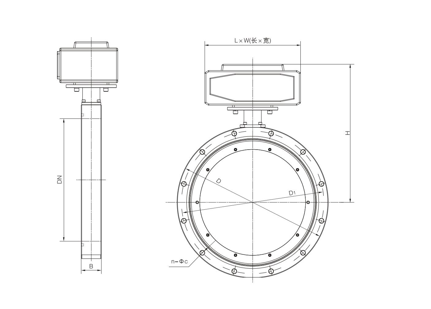
GID型电动高真空蝶阀

  • 产品详情



GID型电动高真空蝶阀是以电动装置驱动蝶阀阀杆与阀板作启闭运动,在真空系统中切断或接通气流之用。
阀门适用的工作介质为空气和非腐蚀性气体。







Copyright © 2002-2020 上海阀门二厂有限公司 版权所有 沪ICP备18041193号-1 技术支持:上海网站建设