欢迎来到上海阀门二厂有限公司,我们竭诚为您服务!

021-62512750
180-17622632

> 产品展示 > 真空阀门 > 真空蝶阀 >

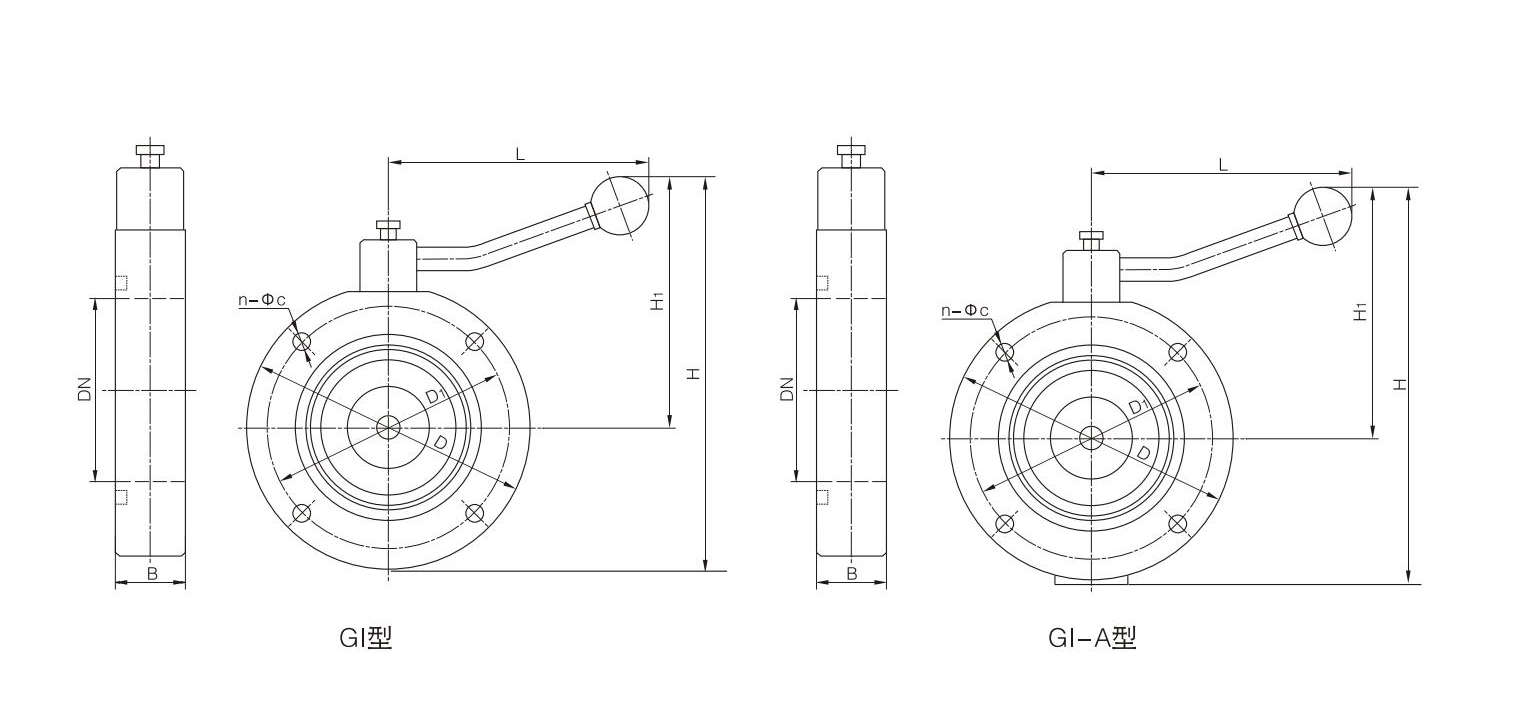
GI/GI-A型手动高真空蝶阀

  • 产品详情


GI/Gl-A型手动高真空蝶阀是用来接通或切断真空管路中的气流。
阀门适用的工作介质为空气和非腐蚀性气体。







Copyright © 2002-2020 上海阀门二厂有限公司 版权所有 沪ICP备18041193号-1 技术支持:上海网站建设