欢迎来到上海阀门二厂有限公司,我们竭诚为您服务!

021-62512750
180-17622632

> 产品展示 > 真空阀门 > 真空档板阀 >

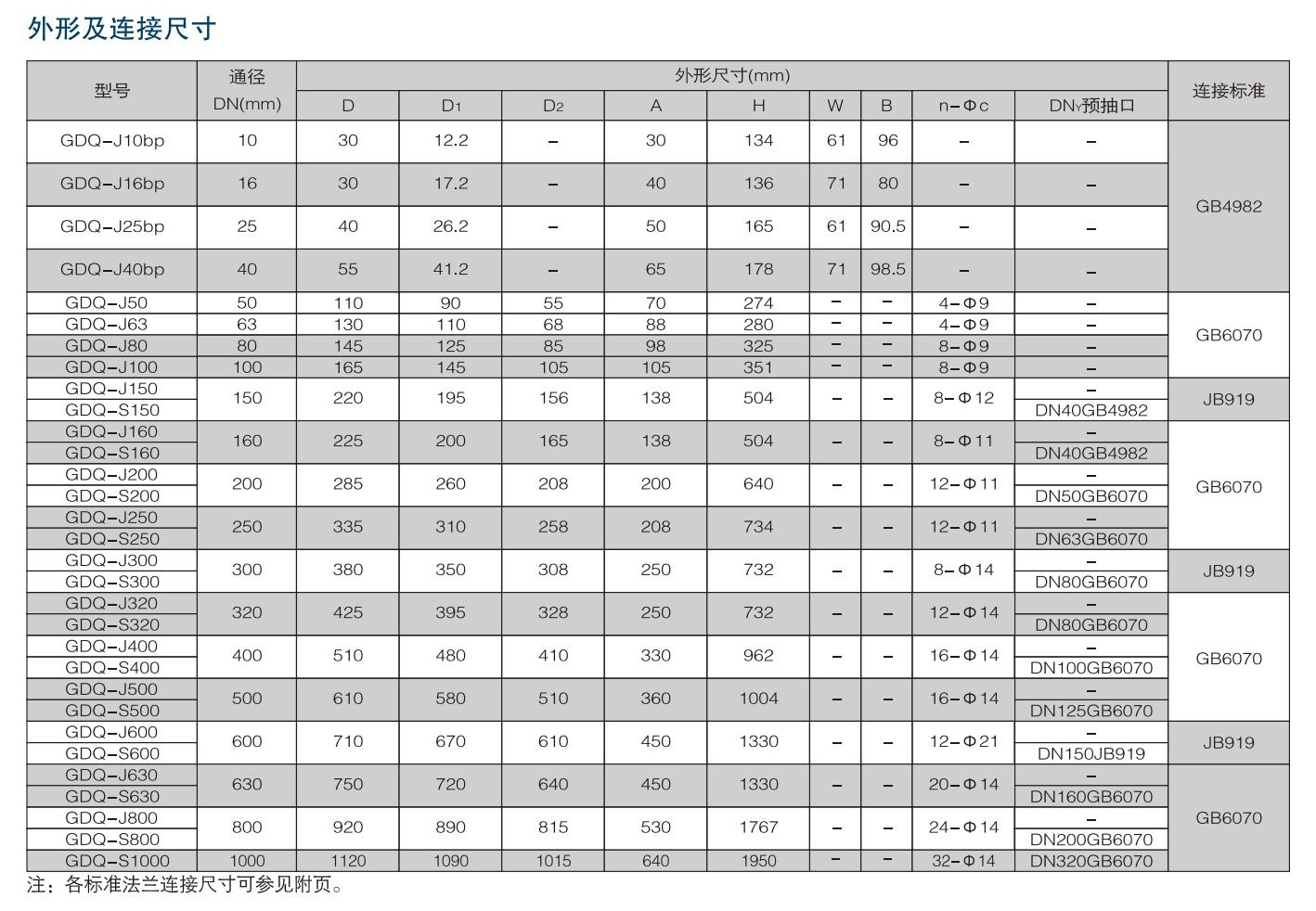
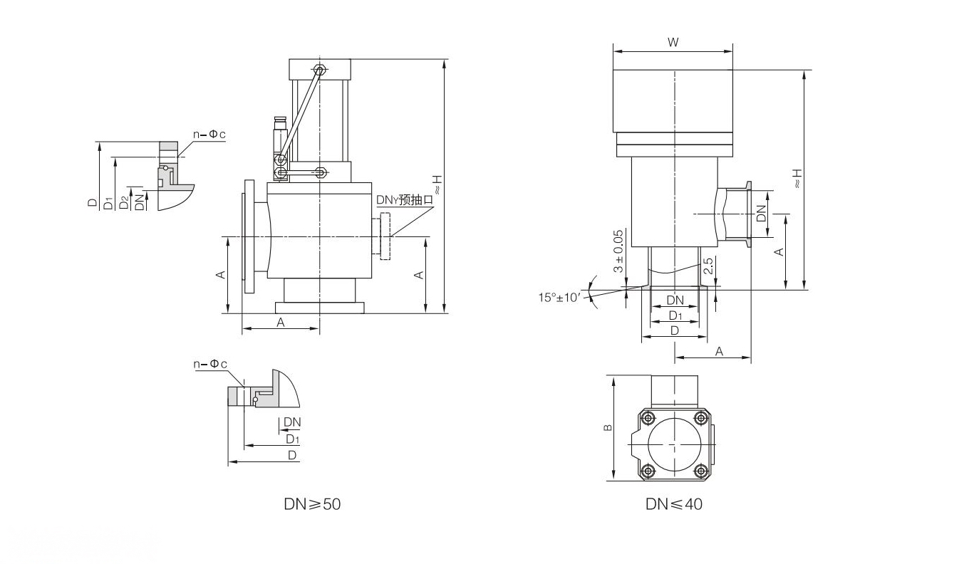
GDQ型气动高真空挡板阀

  • 产品详情


GDQ型气动高真空挡板阀是用压缩空气为动力,通过电磁换向阀改变气路方向,执行气缸驱动档板阀作启闭运动,
在真空系统中作切断或接通气流之用。气动高真空挡板阀按轴封结构可分为GDQ-J型橡胶密封和GDQ-Jb型波纹管密封两种。
GDQ-J为角通型式,GDQ-S为带预抽口的三通型式。
阀门适用的工作介质为空气及非腐蚀性气体。








Copyright © 2002-2020 上海阀门二厂有限公司 版权所有 沪ICP备18041193号-1 技术支持:上海网站建设