欢迎来到上海阀门二厂有限公司,我们竭诚为您服务!

021-62512750
180-17622632

> 产品展示 > 真空阀门 > 真空电磁阀 >

GDC-Q5型电磁高真空带充气阀./.GDC-5型电磁高真空挡板阀

  • 产品详情


GDC-Q5型电磁高真空带充气阀 GDC-5型电磁高真空挡板阀
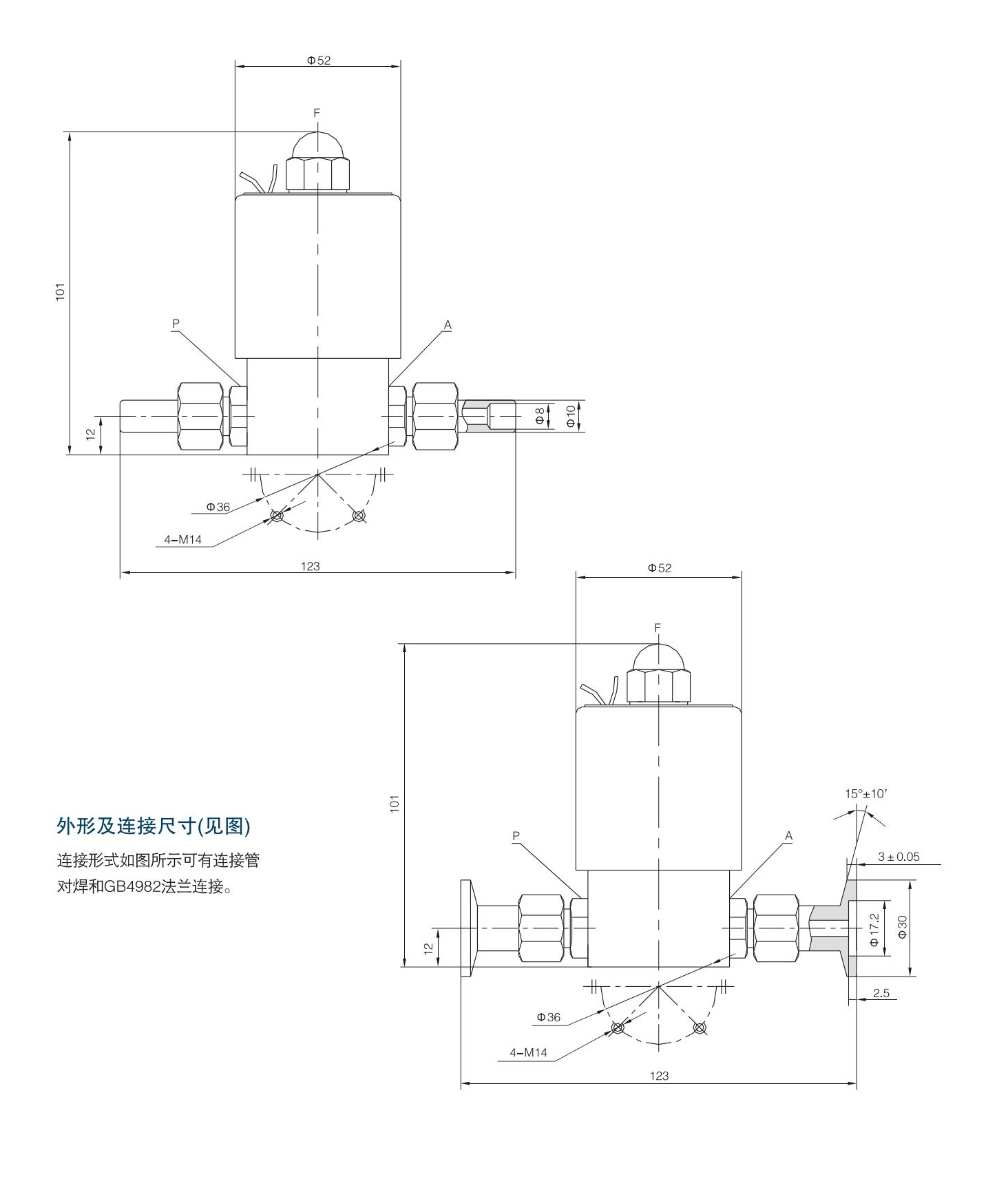
GDC-Q5型电磁高真空带充气阀是接在高真空系统上,当阀门通电时,将P.A端管路接通,同时封闭充气口F端,断电时切断P.A端管路,保持系统的真空度,并通过F端向A端充气。
GDC-5型电磁高真空挡板阀是连接在高真空管路上,用来接通或截止真空系统的气流。 GDC-Q5型及GDC-5型阀门适用的工作介质为空气及非腐蚀性气体。





Copyright © 2002-2020 上海阀门二厂有限公司 版权所有 沪ICP备18041193号-1 技术支持:上海网站建设